
实用专利
一种玻璃钢脱硫除尘装置
日期:2020-09-14 15:09浏览次数:
说 明 书 摘 要
本实用新型提供一种玻璃钢脱硫除尘装置,涉及除尘装置领域,包括集料池,所述集料池顶部的右侧固定连接有除尘箱,所述除尘箱内表面的底部开设有连通孔,所述除尘箱外表面的左侧固定连接有进气管,所述进气管的一端贯穿所述除尘箱且延伸至所述除尘箱的内部,所述除尘箱的顶部开设有出气口,所述集料池外表面的左侧固定连接有支撑板,所述支撑板的顶部固定连接有电机。本实用新型通过在集料池中设置电机、丝杆及滑杆,使清洗组件可在集料池内部左右移动,从而对集料池内壁的底部进行刮洗,避免集料池底部聚集过多垃圾,影响除尘装置对废弃进行处理,同时也会影响水箱对集料箱中废水的再利用。

1.一种玻璃钢脱硫除尘装置,其特征在于:包括集料池(1),所述集料池(1)顶部的右侧固定连接有除尘箱(2),所述除尘箱(2)内表面的底部开设有连通孔(3),所述除尘箱(2)外表面的左侧固定连接有进气管(4),所述进气管(4)的一端贯穿所述除尘箱(2)且延伸至所述除尘箱(2)的内部,所述除尘箱(2)的顶部开设有出气口(5),所述集料池(1)外表面的左侧固定连接有支撑板(6),所述支撑板(6)的顶部固定连接有电机(7),所述电机(7)输出轴的一端通过联轴器固定连接有丝杆(8),所述丝杆(8)的一端贯穿所述集料池(1)且与所述集料池(1)内表面的右侧转动连接,集料池(1)的内表面且位于所述丝杆(8)的背面固定连接有滑杆(9),所述丝杆(8)的表面螺纹连接有清洗组件(10),所述清洗组件(10)的一端与所述滑杆(9)滑动连接。
2.根据权利要求1所述的玻璃钢脱硫除尘装置,其特征在于:所述清洗组件(10)包括连接板(101),所述连接板(101)的一端固定连接有螺纹块(102),所述螺纹块(102)与所述丝杆(8)螺纹连接,所述连接板(101)的另一端固定连接有滑块(103),所述滑块(103)与所述滑杆(9)滑动连接。
3.根据权利要求2所述的玻璃钢脱硫除尘装置,其特征在于:所述连接板(101)顶部的左右两侧均开设有第一连接槽(104),所述第一连接槽(104)内表面的左右两侧均连通有第二连接槽(105)。
4.根据权利要求3所述的玻璃钢脱硫除尘装置,其特征在于:所述连接板(101)的底部设置有固定板(106),所述固定板(106)的底部设置有刮板(107),所述固定板(106)顶部的左右两侧均转动连接有连接杆(108)。
5.根据权利要求4所述的玻璃钢脱硫除尘装置,其特征在于:所述连接杆(108)的表面与所述连接板(101)之间固定连接有弹簧(109),所述连接杆(108)表面的左右两侧且位于所述弹簧(109)的底部固定连接有卡块(110)。
6.根据权利要求1所述的玻璃钢脱硫除尘装置,其特征在于:所述集料池(1)外表面的右侧设置有出液管(11),所述集料池(1)外表面的右侧且位于所述出液管(11)的背面固定连接有水箱(12)。
7.根据权利要求6所述的玻璃钢脱硫除尘装置,其特征在于:所述水箱(12)的顶部设置有进液管(13),所述进液管(13)的一端贯穿所述除尘箱(2)且延伸至所述除尘箱(2)的内部,所述进液管(13)外表面的底部设置有喷头(14)。
2.根据权利要求1所述的玻璃钢脱硫除尘装置,其特征在于:所述清洗组件(10)包括连接板(101),所述连接板(101)的一端固定连接有螺纹块(102),所述螺纹块(102)与所述丝杆(8)螺纹连接,所述连接板(101)的另一端固定连接有滑块(103),所述滑块(103)与所述滑杆(9)滑动连接。
3.根据权利要求2所述的玻璃钢脱硫除尘装置,其特征在于:所述连接板(101)顶部的左右两侧均开设有第一连接槽(104),所述第一连接槽(104)内表面的左右两侧均连通有第二连接槽(105)。
4.根据权利要求3所述的玻璃钢脱硫除尘装置,其特征在于:所述连接板(101)的底部设置有固定板(106),所述固定板(106)的底部设置有刮板(107),所述固定板(106)顶部的左右两侧均转动连接有连接杆(108)。
5.根据权利要求4所述的玻璃钢脱硫除尘装置,其特征在于:所述连接杆(108)的表面与所述连接板(101)之间固定连接有弹簧(109),所述连接杆(108)表面的左右两侧且位于所述弹簧(109)的底部固定连接有卡块(110)。
6.根据权利要求1所述的玻璃钢脱硫除尘装置,其特征在于:所述集料池(1)外表面的右侧设置有出液管(11),所述集料池(1)外表面的右侧且位于所述出液管(11)的背面固定连接有水箱(12)。
7.根据权利要求6所述的玻璃钢脱硫除尘装置,其特征在于:所述水箱(12)的顶部设置有进液管(13),所述进液管(13)的一端贯穿所述除尘箱(2)且延伸至所述除尘箱(2)的内部,所述进液管(13)外表面的底部设置有喷头(14)。
一种玻璃钢脱硫除尘装置
技术领域
本实用新型涉及除尘装置领域,尤其涉及一种玻璃钢脱硫除尘装置。
背景技术
玻璃钢即纤维强化塑料,一般指用玻璃纤维增强不饱和聚酯、环氧树脂与酚醛树脂基体,以玻璃纤维或其制品作增强材料的增强塑料,称谓为玻璃纤维增强塑料,或称为玻璃钢,不同于钢化玻璃。
玻璃钢学名纤维增强塑料,即纤维增强复合塑料。根据采用的纤维不同分为玻璃纤维增强复合塑料,碳纤维增强复合塑料,硼纤维增强复合塑料等,现有的玻璃钢在生产过程中需要使用脱硫除尘装置对烟气进行喷淋水洗,使杂质沉淀到池底,但是水池内沉淀的灰尘大多是采用人工处理的方式,效率低的同时也浪费人工。
实用新型内容
本实用新型的目的在于提供一种玻璃钢脱硫除尘装置,以解决上述技术问题。
本实用新型为解决上述技术问题,采用以下技术方案来实现:一种玻璃钢脱硫除尘装置,包括集料池,所述集料池顶部的右侧固定连接有除尘箱,所述除尘箱内表面的底部开设有连通孔,所述除尘箱外表面的左侧固定连接有进气管,所述进气管的一端贯穿所述除尘箱且延伸至所述除尘箱的内部,所述除尘箱的顶部开设有出气口,所述集料池外表面的左侧固定连接有支撑板,所述支撑板的顶部固定连接有电机,所述电机输出轴的一端通过联轴器固定连接有丝杆,所述丝杆的一端贯穿所述集料池且与所述集料池内表面的右侧转动连接,集料池的内表面且位于所述丝杆的背面固定连接有滑杆,所述丝杆的表面螺纹连接有清洗组件,所述清洗组件的一端与所述滑杆滑动连接。
通过在集料池中设置电机、丝杆及滑杆,使清洗组件可在丝杆和滑杆的带动下移动,刮板与集料池内壁的底部接触,将集料池底部的脏污刮下来,在螺纹块移动到集料池内壁的右侧后,与内壁上的开关接触,电机开始反转,从而使清洗组件沿着丝杆再向集料池内壁的左侧移动,通过电机、丝杆及滑杆与清洗组件之间的配合,使清洗组件可在集料池内部左右移动,从而对集料池内壁的底部进行刮洗,避免集料池底部聚集过多垃圾,影响除尘装置对废弃进行处理,同时也会影响水箱对集料箱中废水的再利用。
进一步地,所述清洗组件包括连接板,所述连接板的一端固定连接有螺纹块,所述螺纹块与所述丝杆螺纹连接,所述连接板的另一端固定连接有滑块,所述滑块与所述滑杆滑动连接。
进一步地,所述连接板顶部的左右两侧均开设有第一连接槽,所述第一连接槽内表面的左右两侧均连通有第二连接槽。
进一步地,所述连接板的底部设置有固定板,所述固定板的底部设置有刮板,所述固定板顶部的左右两侧均转动连接有连接杆。
进一步地,所述连接杆的表面与所述连接板之间固定连接有弹簧,所述连接杆表面的左右两侧且位于所述弹簧的底部固定连接有卡块。
清洗组件使用好后,还可将连接杆、刮板等向上拉动,使刮板与集料池底部有一定距离,避免刮板等一直浸没再集料池内部的水中,长时间对刮板等造成损坏。
进一步地,所述集料池外表面的右侧设置有出液管,所述集料池外表面的右侧且位于所述出液管的背面固定连接有水箱。
进一步地,所述水箱的顶部设置有进液管,所述进液管的一端贯穿所述除尘箱且延伸至所述除尘箱的内部,所述进液管外表面的底部设置有喷头。
本实用新型的有益效果是:
本实用新型通过在集料池中设置电机、丝杆及滑杆,使清洗组件可在丝杆和滑杆的带动下移动,刮板与集料池内壁的底部接触,将集料池底部的脏污刮下来,在螺纹块移动到集料池内壁的右侧后,与内壁上的开关接触,电机开始反转,从而使清洗组件沿着丝杆再向集料池内壁的左侧移动,通过电机、丝杆及滑杆与清洗组件之间的配合,使清洗组件可在集料池内部左右移动,从而对集料池内壁的底部进行刮洗,避免集料池底部聚集过多垃圾,影响除尘装置对废弃进行处理,同时也会影响水箱对集料箱中废水的再利用,清洗组件使用好后,还可将连接杆、刮板等向上拉动,使刮板与集料池底部有一定距离,避免刮板等一直浸没再集料池内部的水中,长时间对刮板等造成损坏。
附图说明
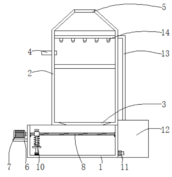
图1为本实用新型的内部结构示意图;
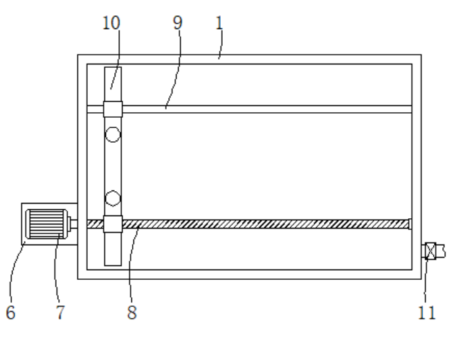
图2为本实用新型的集料池的内部结构俯视图;
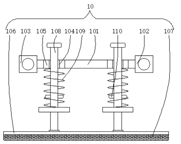
图3为本实用新型的清洗组件的内部结构示意图;
图4为本实用新型的外部结构示意图。
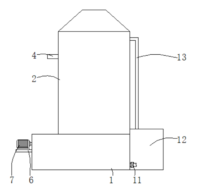
附图标记:1-集料池、2-除尘箱、3-连通孔、4-进气管、5-出气口、6-支撑板、7-电机、8-丝杆、9-滑杆、10-清洗组件、101-连接板、102-螺纹块、103-滑块、104-第一连接槽、105-第二连接槽、106-固定板、107-刮板、108-连接杆、109-弹簧、110-卡块、11-出液管、12-水箱、13-进液管、14-喷头。
具体实施方式
为了使本实用新型实现的技术手段、创作特征、达成目的与功效易于明白了解,下面结合具体实施例和附图,进一步阐述本实用新型,但下述实施例仅仅为本实用新型的优选实施例,并非全部。基于实施方式中的实施例,本领域技术人员在没有做出创造性劳动的前提下所获得其它实施例,都属于本发明的保护范围。
下面结合附图描述本实用新型的具体实施例。
如图1-4所示,一种玻璃钢脱硫除尘装置,包括集料池1,所述集料池1顶部的右侧固定连接有除尘箱2,所述除尘箱2内表面的底部开设有连通孔3,所述除尘箱2外表面的左侧固定连接有进气管4,所述进气管4的一端贯穿所述除尘箱2且延伸至所述除尘箱2的内部,所述除尘箱2的顶部开设有出气口5,所述集料池1外表面的左侧固定连接有支撑板6,所述支撑板6的顶部固定连接有电机7,所述电机7输出轴的一端通过联轴器固定连接有丝杆8,所述丝杆8的一端贯穿所述集料池1且与所述集料池1内表面的右侧转动连接,集料池1的内表面且位于所述丝杆8的背面固定连接有滑杆9,所述丝杆8的表面螺纹连接有清洗组件10,所述清洗组件10的一端与所述滑杆9滑动连接。
集料池1的长度比除尘箱2的长度长,除尘箱2的底部与集料池1的顶部是焊接在一起的,除尘箱2的内部是用来对气体中的灰尘进行处理的,避免灰尘直接排放到外界环境中,对环境造成污染,连通孔3是上大下小的,方便水和杂质一起留到集料池1中,进气管4的一端是与玻璃钢上产装置连接的,支撑板6的一侧是与集料池1的外表面通过螺栓固定在一起的,电机7的底部是通过螺栓与支撑板6固定在一起的,电机7是减速电机,通过电源线与外部电源连接,丝杆8延伸进集料池1内部的一端是通过轴承与集料池1的内壁固定在一起的,滑杆9的左右两端均是通过螺钉固定在集料池1的内部的,清洗组件10在丝杆8和滑杆9上移动,可以自动对集料池1的内壁进行清洗,不需要人工清洗,节省了人力,同时也可保证集料池1内壁的清洁效果,避免集料池1内壁清洗不干净。
所述清洗组件10包括连接板101,所述连接板101的一端固定连接有螺纹块102,所述螺纹块102与所述丝杆8螺纹连接,所述连接板101的另一端固定连接有滑块103,所述滑块103与所述滑杆9滑动连接。
螺纹块102的一侧与连接板101的一侧是焊接在一起的,连接板101的另一侧是与滑块103焊接在一起的,连接板101是通过螺纹块102带动的,而滑块103可对连接板101进行限位,保证连接板101可在集料池1中左右移动。
所述连接板101顶部的左右两侧均开设有第一连接槽104,所述第一连接槽104内表面的左右两侧均连通有第二连接槽105。
第一连接槽104是与连接杆108大小适配的槽,数量为2个,且连接杆108在第一连接槽104中是滑动的,每个第一连接槽104内表面连通有2个第二连接槽105,第二连接槽105是与卡块110大小适配的槽。
所述连接板101的底部设置有固定板106,所述固定板106的底部设置有刮板107,所述固定板106顶部的左右两侧均转动连接有连接杆108。
刮板107是孰料材质的,与固定板106通过螺钉固定在一起,通过刮板107对集料池1的内壁进行刮洗,避免集料池1池底积累过多杂质,影响玻璃钢脱硫除尘装置使用。
所述连接杆108的表面与所述连接板101之间固定连接有弹簧109,所述连接杆108表面的左右两侧且位于所述弹簧109的底部固定连接有卡块110。
弹簧109是套接在连接杆108的表面的,弹簧109是压缩弹簧,具有良好的弹性,卡块110是焊接在连接杆108的表面的。
所述集料池1外表面的右侧设置有出液管11,所述集料池1外表面的右侧且位于所述出液管11的背面固定连接有水箱12。
出液管11是与集料池1焊接在一起的,出液管11上设置有阀门,水箱12一侧的偏上方是与集料池1连通的,同时水箱12中设置有滤网,可对集料池1上层的水进行过滤回收再利用。
所述水箱12的顶部设置有进液管13,所述进液管13的一端贯穿所述除尘箱2且延伸至所述除尘箱2的内部,所述进液管13外表面的底部设置有喷头14。
进液管13是折型管,一端延伸到除尘箱2的内部,且与除尘箱2的内壁焊接在一起,喷头14的数量为若干个,是螺纹连接在进液管13上的。
工作原理:除尘箱2对气体进行处理后,工作人员首先转动两根连接杆108,使卡块110的位置与第二连接槽105的位置对齐,之后松开手中的连接杆108,一直处于压缩状态的弹簧109需要恢复形变,从而将连接杆108和固定板106向下移动,从而使刮板107可以与集料池1的底部接触,之后便可通过控制开关控制电机7启动,电机7启动后带动丝杆8转动,在丝杆8转动的同时,螺纹块102带动整个清洗组件10沿着丝杆8和滑杆9向集料池1右侧移动,清洗组件10移动时,刮板107与集料池1内壁的底部接触,将集料池1底部的脏污刮下来,在螺纹块102移动到集料池1内壁的右侧后,与内壁上的开关接触,电机7开始反转,从而使清洗组件10沿着丝杆8再向集料池1内壁的左侧移动,通过电机7、丝杆8及滑杆9与清洗组件10之间的配合,使清洗组件10可在集料池1内部左右移动,从而对集料池1内壁的底部进行刮洗,避免集料池1底部聚集过多垃圾,影响除尘装置对废弃进行处理,同时也会影响水箱12对集料箱1中废水的再利用。
当集料池1内部清洗干净后,工组人员便可在清洗组件10移动到集料池1的左侧时关闭电机7电源,之后工作人员便可打开出液管11上的阀门,时集料池1内部的脏水排出,同时工作人员也需再次拉动连接杆108,一直将连接杆108向固定板106顶部拉动,直到卡块110沿着第二连接槽105移动到固定板106顶部,之后便可转动连接杆108,使卡块110的位置不再与第二连接槽105对齐,随后便可松开手中的连接杆108,卡块110与固定板106接触,限制刮板107的高度,避免刮板107等一直浸没再集料池1内部的水中,长时间对刮板107等造成损坏。
之后工作人员便可接通事项12内部水泵的电源,然后水箱12中的水通过进液管13和喷头14的配合,均匀喷洒出来,将废气中的杂质过滤下来,使其沿着连通孔3进入集料池1中,并在集料池1中进行沉淀。
在本实用新型中,除非另有明确的规定和限定,第一特征在第二特征之 “上”或之“下”可以包括第一和第二特征直接接触,也可以包括第一和第二特征不是直接接触而是通过它们之间的另外的特征接触。而且,第一特征在第二特征“之上”、“上方”和“上面”包括第一特征在第二特征正上方和斜上方,或仅仅表示第一特征水平高度高于第二特征。第一特征在第二特征“之下”、“下方”和“下面”包括第一特征在第二特征正下方和斜下方,或仅仅表示第一特征水平高度小于第二特征。
以上显示和描述了本实用新型的基本原理、主要特征和本实用新型的优点。本行业的技术人员应该了解,本实用新型不受上述实施例的限制,上述实施例和说明书中描述的仅为本实用新型的优选例,并不用来限制本实用新型,在不脱离本实用新型精神和范围的前提下,本实用新型还会有各种变化和改进,这些变化和改进都落入要求保护的本实用新型范围内。本实用新型要求保护范围由所附的权利要求书及其等效物界定。
技术领域
本实用新型涉及除尘装置领域,尤其涉及一种玻璃钢脱硫除尘装置。
背景技术
玻璃钢即纤维强化塑料,一般指用玻璃纤维增强不饱和聚酯、环氧树脂与酚醛树脂基体,以玻璃纤维或其制品作增强材料的增强塑料,称谓为玻璃纤维增强塑料,或称为玻璃钢,不同于钢化玻璃。
玻璃钢学名纤维增强塑料,即纤维增强复合塑料。根据采用的纤维不同分为玻璃纤维增强复合塑料,碳纤维增强复合塑料,硼纤维增强复合塑料等,现有的玻璃钢在生产过程中需要使用脱硫除尘装置对烟气进行喷淋水洗,使杂质沉淀到池底,但是水池内沉淀的灰尘大多是采用人工处理的方式,效率低的同时也浪费人工。
实用新型内容
本实用新型的目的在于提供一种玻璃钢脱硫除尘装置,以解决上述技术问题。
本实用新型为解决上述技术问题,采用以下技术方案来实现:一种玻璃钢脱硫除尘装置,包括集料池,所述集料池顶部的右侧固定连接有除尘箱,所述除尘箱内表面的底部开设有连通孔,所述除尘箱外表面的左侧固定连接有进气管,所述进气管的一端贯穿所述除尘箱且延伸至所述除尘箱的内部,所述除尘箱的顶部开设有出气口,所述集料池外表面的左侧固定连接有支撑板,所述支撑板的顶部固定连接有电机,所述电机输出轴的一端通过联轴器固定连接有丝杆,所述丝杆的一端贯穿所述集料池且与所述集料池内表面的右侧转动连接,集料池的内表面且位于所述丝杆的背面固定连接有滑杆,所述丝杆的表面螺纹连接有清洗组件,所述清洗组件的一端与所述滑杆滑动连接。
通过在集料池中设置电机、丝杆及滑杆,使清洗组件可在丝杆和滑杆的带动下移动,刮板与集料池内壁的底部接触,将集料池底部的脏污刮下来,在螺纹块移动到集料池内壁的右侧后,与内壁上的开关接触,电机开始反转,从而使清洗组件沿着丝杆再向集料池内壁的左侧移动,通过电机、丝杆及滑杆与清洗组件之间的配合,使清洗组件可在集料池内部左右移动,从而对集料池内壁的底部进行刮洗,避免集料池底部聚集过多垃圾,影响除尘装置对废弃进行处理,同时也会影响水箱对集料箱中废水的再利用。
进一步地,所述清洗组件包括连接板,所述连接板的一端固定连接有螺纹块,所述螺纹块与所述丝杆螺纹连接,所述连接板的另一端固定连接有滑块,所述滑块与所述滑杆滑动连接。
进一步地,所述连接板顶部的左右两侧均开设有第一连接槽,所述第一连接槽内表面的左右两侧均连通有第二连接槽。
进一步地,所述连接板的底部设置有固定板,所述固定板的底部设置有刮板,所述固定板顶部的左右两侧均转动连接有连接杆。
进一步地,所述连接杆的表面与所述连接板之间固定连接有弹簧,所述连接杆表面的左右两侧且位于所述弹簧的底部固定连接有卡块。
清洗组件使用好后,还可将连接杆、刮板等向上拉动,使刮板与集料池底部有一定距离,避免刮板等一直浸没再集料池内部的水中,长时间对刮板等造成损坏。
进一步地,所述集料池外表面的右侧设置有出液管,所述集料池外表面的右侧且位于所述出液管的背面固定连接有水箱。
进一步地,所述水箱的顶部设置有进液管,所述进液管的一端贯穿所述除尘箱且延伸至所述除尘箱的内部,所述进液管外表面的底部设置有喷头。
本实用新型的有益效果是:
本实用新型通过在集料池中设置电机、丝杆及滑杆,使清洗组件可在丝杆和滑杆的带动下移动,刮板与集料池内壁的底部接触,将集料池底部的脏污刮下来,在螺纹块移动到集料池内壁的右侧后,与内壁上的开关接触,电机开始反转,从而使清洗组件沿着丝杆再向集料池内壁的左侧移动,通过电机、丝杆及滑杆与清洗组件之间的配合,使清洗组件可在集料池内部左右移动,从而对集料池内壁的底部进行刮洗,避免集料池底部聚集过多垃圾,影响除尘装置对废弃进行处理,同时也会影响水箱对集料箱中废水的再利用,清洗组件使用好后,还可将连接杆、刮板等向上拉动,使刮板与集料池底部有一定距离,避免刮板等一直浸没再集料池内部的水中,长时间对刮板等造成损坏。
附图说明
图1为本实用新型的内部结构示意图;
图2为本实用新型的集料池的内部结构俯视图;
图3为本实用新型的清洗组件的内部结构示意图;
图4为本实用新型的外部结构示意图。
附图标记:1-集料池、2-除尘箱、3-连通孔、4-进气管、5-出气口、6-支撑板、7-电机、8-丝杆、9-滑杆、10-清洗组件、101-连接板、102-螺纹块、103-滑块、104-第一连接槽、105-第二连接槽、106-固定板、107-刮板、108-连接杆、109-弹簧、110-卡块、11-出液管、12-水箱、13-进液管、14-喷头。
具体实施方式
为了使本实用新型实现的技术手段、创作特征、达成目的与功效易于明白了解,下面结合具体实施例和附图,进一步阐述本实用新型,但下述实施例仅仅为本实用新型的优选实施例,并非全部。基于实施方式中的实施例,本领域技术人员在没有做出创造性劳动的前提下所获得其它实施例,都属于本发明的保护范围。
下面结合附图描述本实用新型的具体实施例。
如图1-4所示,一种玻璃钢脱硫除尘装置,包括集料池1,所述集料池1顶部的右侧固定连接有除尘箱2,所述除尘箱2内表面的底部开设有连通孔3,所述除尘箱2外表面的左侧固定连接有进气管4,所述进气管4的一端贯穿所述除尘箱2且延伸至所述除尘箱2的内部,所述除尘箱2的顶部开设有出气口5,所述集料池1外表面的左侧固定连接有支撑板6,所述支撑板6的顶部固定连接有电机7,所述电机7输出轴的一端通过联轴器固定连接有丝杆8,所述丝杆8的一端贯穿所述集料池1且与所述集料池1内表面的右侧转动连接,集料池1的内表面且位于所述丝杆8的背面固定连接有滑杆9,所述丝杆8的表面螺纹连接有清洗组件10,所述清洗组件10的一端与所述滑杆9滑动连接。
集料池1的长度比除尘箱2的长度长,除尘箱2的底部与集料池1的顶部是焊接在一起的,除尘箱2的内部是用来对气体中的灰尘进行处理的,避免灰尘直接排放到外界环境中,对环境造成污染,连通孔3是上大下小的,方便水和杂质一起留到集料池1中,进气管4的一端是与玻璃钢上产装置连接的,支撑板6的一侧是与集料池1的外表面通过螺栓固定在一起的,电机7的底部是通过螺栓与支撑板6固定在一起的,电机7是减速电机,通过电源线与外部电源连接,丝杆8延伸进集料池1内部的一端是通过轴承与集料池1的内壁固定在一起的,滑杆9的左右两端均是通过螺钉固定在集料池1的内部的,清洗组件10在丝杆8和滑杆9上移动,可以自动对集料池1的内壁进行清洗,不需要人工清洗,节省了人力,同时也可保证集料池1内壁的清洁效果,避免集料池1内壁清洗不干净。
所述清洗组件10包括连接板101,所述连接板101的一端固定连接有螺纹块102,所述螺纹块102与所述丝杆8螺纹连接,所述连接板101的另一端固定连接有滑块103,所述滑块103与所述滑杆9滑动连接。
螺纹块102的一侧与连接板101的一侧是焊接在一起的,连接板101的另一侧是与滑块103焊接在一起的,连接板101是通过螺纹块102带动的,而滑块103可对连接板101进行限位,保证连接板101可在集料池1中左右移动。
所述连接板101顶部的左右两侧均开设有第一连接槽104,所述第一连接槽104内表面的左右两侧均连通有第二连接槽105。
第一连接槽104是与连接杆108大小适配的槽,数量为2个,且连接杆108在第一连接槽104中是滑动的,每个第一连接槽104内表面连通有2个第二连接槽105,第二连接槽105是与卡块110大小适配的槽。
所述连接板101的底部设置有固定板106,所述固定板106的底部设置有刮板107,所述固定板106顶部的左右两侧均转动连接有连接杆108。
刮板107是孰料材质的,与固定板106通过螺钉固定在一起,通过刮板107对集料池1的内壁进行刮洗,避免集料池1池底积累过多杂质,影响玻璃钢脱硫除尘装置使用。
所述连接杆108的表面与所述连接板101之间固定连接有弹簧109,所述连接杆108表面的左右两侧且位于所述弹簧109的底部固定连接有卡块110。
弹簧109是套接在连接杆108的表面的,弹簧109是压缩弹簧,具有良好的弹性,卡块110是焊接在连接杆108的表面的。
所述集料池1外表面的右侧设置有出液管11,所述集料池1外表面的右侧且位于所述出液管11的背面固定连接有水箱12。
出液管11是与集料池1焊接在一起的,出液管11上设置有阀门,水箱12一侧的偏上方是与集料池1连通的,同时水箱12中设置有滤网,可对集料池1上层的水进行过滤回收再利用。
所述水箱12的顶部设置有进液管13,所述进液管13的一端贯穿所述除尘箱2且延伸至所述除尘箱2的内部,所述进液管13外表面的底部设置有喷头14。
进液管13是折型管,一端延伸到除尘箱2的内部,且与除尘箱2的内壁焊接在一起,喷头14的数量为若干个,是螺纹连接在进液管13上的。
工作原理:除尘箱2对气体进行处理后,工作人员首先转动两根连接杆108,使卡块110的位置与第二连接槽105的位置对齐,之后松开手中的连接杆108,一直处于压缩状态的弹簧109需要恢复形变,从而将连接杆108和固定板106向下移动,从而使刮板107可以与集料池1的底部接触,之后便可通过控制开关控制电机7启动,电机7启动后带动丝杆8转动,在丝杆8转动的同时,螺纹块102带动整个清洗组件10沿着丝杆8和滑杆9向集料池1右侧移动,清洗组件10移动时,刮板107与集料池1内壁的底部接触,将集料池1底部的脏污刮下来,在螺纹块102移动到集料池1内壁的右侧后,与内壁上的开关接触,电机7开始反转,从而使清洗组件10沿着丝杆8再向集料池1内壁的左侧移动,通过电机7、丝杆8及滑杆9与清洗组件10之间的配合,使清洗组件10可在集料池1内部左右移动,从而对集料池1内壁的底部进行刮洗,避免集料池1底部聚集过多垃圾,影响除尘装置对废弃进行处理,同时也会影响水箱12对集料箱1中废水的再利用。
当集料池1内部清洗干净后,工组人员便可在清洗组件10移动到集料池1的左侧时关闭电机7电源,之后工作人员便可打开出液管11上的阀门,时集料池1内部的脏水排出,同时工作人员也需再次拉动连接杆108,一直将连接杆108向固定板106顶部拉动,直到卡块110沿着第二连接槽105移动到固定板106顶部,之后便可转动连接杆108,使卡块110的位置不再与第二连接槽105对齐,随后便可松开手中的连接杆108,卡块110与固定板106接触,限制刮板107的高度,避免刮板107等一直浸没再集料池1内部的水中,长时间对刮板107等造成损坏。
之后工作人员便可接通事项12内部水泵的电源,然后水箱12中的水通过进液管13和喷头14的配合,均匀喷洒出来,将废气中的杂质过滤下来,使其沿着连通孔3进入集料池1中,并在集料池1中进行沉淀。
在本实用新型中,除非另有明确的规定和限定,第一特征在第二特征之 “上”或之“下”可以包括第一和第二特征直接接触,也可以包括第一和第二特征不是直接接触而是通过它们之间的另外的特征接触。而且,第一特征在第二特征“之上”、“上方”和“上面”包括第一特征在第二特征正上方和斜上方,或仅仅表示第一特征水平高度高于第二特征。第一特征在第二特征“之下”、“下方”和“下面”包括第一特征在第二特征正下方和斜下方,或仅仅表示第一特征水平高度小于第二特征。
以上显示和描述了本实用新型的基本原理、主要特征和本实用新型的优点。本行业的技术人员应该了解,本实用新型不受上述实施例的限制,上述实施例和说明书中描述的仅为本实用新型的优选例,并不用来限制本实用新型,在不脱离本实用新型精神和范围的前提下,本实用新型还会有各种变化和改进,这些变化和改进都落入要求保护的本实用新型范围内。本实用新型要求保护范围由所附的权利要求书及其等效物界定。

图 1

图 2

图 3

图 4



