
实用专利
一种硫磺环保成型机
日期:2020-09-14 15:07浏览次数:
说 明 书 摘 要
本实用新型提供一种硫磺环保成型机,涉及化工设备领域,包括水箱,所述水箱的内部设置有搅拌运料装置,所述搅拌运料装置包括搅拌杆,所述搅拌杆的表面固定连接有搅拌滚轮,所述搅拌杆的一侧与水箱内壁的一侧转动连接,所述搅拌杆的另一端贯穿水箱内壁的一侧,所述搅拌杆的一侧固定连接有第一锥形齿轮,所述第一锥形齿轮的表面啮合连接有第二锥形齿轮。本实用新型通过设置的搅拌运料装置有效的对切割的硫磺进行快速冷却结晶,通过设置在水箱顶部设置的第一过滤箱和第二过滤箱,方便对冷却的硫磺产生的气体进行过滤反应,从而使气体有效的过滤成无害气体从而改善工作环境减少对人体的伤害和威胁。

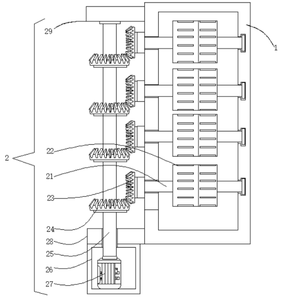
1.一种硫磺环保成型机,其特征在于:包括水箱(1),所述水箱(1)的内部设置有搅拌运料装置(2),所述搅拌运料装置(2)包括搅拌杆(21),所述搅拌杆(21)的表面固定连接有搅拌滚轮(22),所述搅拌杆(21)的一侧与水箱(1)内壁的一侧转动连接,所述搅拌杆(22)的另一端贯穿水箱(1)内壁的一侧,所述搅拌杆(22)的一侧固定连接有第一锥形齿轮(23),所述第一锥形齿轮(23)的表面啮合连接有第二锥形齿轮(24),所述水箱(1)的一侧固定连接有第一固定块(28),所述第一固定块(28)的一侧固定连接有电机箱(26),所述电机箱(26)内壁的一侧固定连接有第一电机(27),所述第一电机(27)的输出端固定连接有转杆(25),所述转杆(25)的一侧贯穿与第二锥形齿轮(24)的底部轴心处,所述转杆(25)的一侧转动连接有第二固定块(29),所述水箱(1)的顶部设置有切割装置(3)。
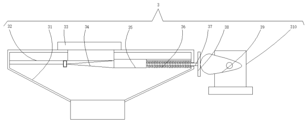
2.根据权利要求1所述的硫磺环保成型机,其特征在于:所述切割装置(3)包括漏斗箱(31)和第二电机(310),所述漏斗箱(31)的顶部设置有入料口(33),两个所述漏斗箱(31)内壁的顶部固定连接有限位块(32),所述限位块(33)的表面滑动连接有滑块(35),所述滑块(35)的一侧固定连接有切刀片(34),所述滑块(35)的一侧固定连接有固定杆(37),所述固定杆(37)的表面套接有弹簧(36),所述弹簧(36)的一端与漏斗箱(31)内壁的一侧固定连接。
3.根据权利要求2所述的硫磺环保成型机,其特征在于:所述固定杆(37)的一侧贯穿于漏斗箱(31)内壁的一侧,所述固定杆(37)的一侧固定连接有挡板(38),所述第二电机(310)的输出端固定连接有凸块(39)。
4.根据权利要求1所述的硫磺环保成型机,其特征在于:所述水箱(1)的顶部设置有废气出管(5),所述废气出管(5)的一侧设置有第一过滤箱(7),所述第一过滤箱(7)内壁的两侧固定连接有第一过滤板(6)。
5.根据权利要求1所述的硫磺环保成型机,其特征在于:所述第一过滤箱(7)的内部设置有反应箱(8),所述反应箱(8)的一侧设置有进气口(9),所述反应箱(8)的顶部设置有开关阀管(10),所述开关阀管(10)的一侧贯穿第一过滤箱(7)内壁的顶部,所述反应箱(8)的一侧固定连接有第二过滤箱(11),所述第二过滤箱(11)内壁的两侧固定连接有过滤网(12),所述第二过滤箱(11)的一侧设置有出气管(13),所述出气管(13)的一侧贯穿于第一过滤箱(13)内壁的一侧。
6.根据权利要求1所述的硫磺环保成型机,其特征在于:所述水箱(1)的一侧设置有进水口(4),所述水箱(1)的一侧设置有出水口(14)。
2.根据权利要求1所述的硫磺环保成型机,其特征在于:所述切割装置(3)包括漏斗箱(31)和第二电机(310),所述漏斗箱(31)的顶部设置有入料口(33),两个所述漏斗箱(31)内壁的顶部固定连接有限位块(32),所述限位块(33)的表面滑动连接有滑块(35),所述滑块(35)的一侧固定连接有切刀片(34),所述滑块(35)的一侧固定连接有固定杆(37),所述固定杆(37)的表面套接有弹簧(36),所述弹簧(36)的一端与漏斗箱(31)内壁的一侧固定连接。
3.根据权利要求2所述的硫磺环保成型机,其特征在于:所述固定杆(37)的一侧贯穿于漏斗箱(31)内壁的一侧,所述固定杆(37)的一侧固定连接有挡板(38),所述第二电机(310)的输出端固定连接有凸块(39)。
4.根据权利要求1所述的硫磺环保成型机,其特征在于:所述水箱(1)的顶部设置有废气出管(5),所述废气出管(5)的一侧设置有第一过滤箱(7),所述第一过滤箱(7)内壁的两侧固定连接有第一过滤板(6)。
5.根据权利要求1所述的硫磺环保成型机,其特征在于:所述第一过滤箱(7)的内部设置有反应箱(8),所述反应箱(8)的一侧设置有进气口(9),所述反应箱(8)的顶部设置有开关阀管(10),所述开关阀管(10)的一侧贯穿第一过滤箱(7)内壁的顶部,所述反应箱(8)的一侧固定连接有第二过滤箱(11),所述第二过滤箱(11)内壁的两侧固定连接有过滤网(12),所述第二过滤箱(11)的一侧设置有出气管(13),所述出气管(13)的一侧贯穿于第一过滤箱(13)内壁的一侧。
6.根据权利要求1所述的硫磺环保成型机,其特征在于:所述水箱(1)的一侧设置有进水口(4),所述水箱(1)的一侧设置有出水口(14)。
一种硫磺环保成型机
技术领域
本实用新型涉及化工设备领域,尤其涉及一种硫磺环保成型机。
背景技术
在石化炼油工业排出的废气中含有大量硫化物烟气,这不仅会污染空气,而且也是一种资源损失,为此,各单位均配套设置具有回收硫化物的脱硫装置,脱出的液态硫磺变废为宝,既解决了外排废气的环保达标问题,又便于硫化物的回收再利用。
对产生的硫磺进行回收,目前通用的硫磺切片机是利用滚筒和刮刀组成,硫磺的成型和出料是在敞口下进行,硫磺的气味没有得到有效控制,且水下集体水冷效果缓慢,达不到环保和高效要求,因此厂区工作环境差。
实用新型内容
本实用新型的目的在于提供一种硫磺环保成型机,以解决上述技术问题。
本实用新型为解决上述技术问题,采用以下技术方案来实现:一种硫磺环保成型机,包括水箱,所述水箱的内部设置有搅拌运料装置,所述搅拌运料装置包括搅拌杆,所述搅拌杆的表面固定连接有搅拌滚轮,所述搅拌杆的一侧与水箱内壁的一侧转动连接,所述搅拌杆的另一端贯穿水箱内壁的一侧,所述搅拌杆的一侧固定连接有第一锥形齿轮,所述第一锥形齿轮的表面啮合连接有第二锥形齿轮,所述水箱的一侧固定连接有第一固定块,所述第一固定块的一侧固定连接有电机箱,所述电机箱内壁的一侧固定连接有第一电机,所述第一电机的输出端固定连接有转杆,所述转杆的一侧贯穿与第二锥形齿轮的底部轴心处,所述转杆的一侧转动连接有第二固定块,所述水箱的顶部设置有切割装置。
进一步地,所述切割装置包括漏斗箱和第二电机,所述漏斗箱的顶部设置有入料口,两个所述漏斗箱内壁的顶部固定连接有限位块,所述限位块的表面滑动连接有滑块,所述滑块的一侧固定连接有切刀片,所述滑块的一侧固定连接有固定杆,所述固定杆的表面套接有弹簧,所述弹簧的一端与漏斗箱内壁的一侧固定连接。
进一步地,所述固定杆的一侧贯穿于漏斗箱内壁的一侧,所述固定杆的一侧固定连接有挡板,所述第二电机的输出端固定连接有凸块。
进一步地,所述水箱的顶部设置有废气出管,所述废气出管的一侧设置有第一过滤箱,所述第一过滤箱内壁的两侧固定连接有第一过滤板。
进一步地,所述第一过滤箱的内部设置有反应箱,所述反应箱的一侧设置有进气口,所述反应箱的顶部设置有开关阀管,所述开关阀管的一侧贯穿第一过滤箱内壁的顶部,所述反应箱的一侧固定连接有第二过滤箱,所述第二过滤箱内壁的两侧固定连接有过滤网,所述第二过滤箱的一侧设置有出气管,所述出气管的一侧贯穿于第一过滤箱内壁的一侧。
进一步地,所述水箱的一侧设置有进水口,所述水箱的一侧设置有出水口。
本实用新型的有益效果是:
本实用新型通过设置的搅拌运料装置有效的对切割的硫磺进行快速冷却结晶,通过设置在水箱顶部设置的第一过滤箱和第二过滤箱,方便对冷却的硫磺产生的气体进行过滤反应,从而使气体有效的过滤成无害气体从而改善工作环境减少对人体的伤害和威胁。
附图说明
图1为本实用新型的整体剖视结构示意图;
图2为本实用新型的搅拌运料装置内部结构示意图;
图3为本实用新型的切割装置内部结构示意图。
附图标记:1-水箱、2-搅拌运料装置、21-搅拌杆、22-搅拌滚轮、23-第一锥形齿轮、24-第二锥形齿轮、25-转杆、26-电机箱、27-第一电机、28-第一固定块、29-第二固定块、3-切割装置、31-漏斗箱、32-限位块、33-入料口、34-切刀片、35-滑块、36-弹簧、37-固定杆、38-挡板、39-凸块、310-第二电机、4-进水口、5-废气出管、6-第一过滤板、7-第一过滤箱、8-反应箱、9-进气口、10-开关阀管、11-第二过滤箱、12-过滤网、13-出气管、14-出水口。
具体实施方式
为了使本实用新型实现的技术手段、创作特征、达成目的与功效易于明白了解,下面结合具体实施例和附图,进一步阐述本实用新型,但下述实施例仅仅为本实用新型的优选实施例,并非全部。基于实施方式中的实施例,本领域技术人员在没有做出创造性劳动的前提下所获得其它实施例,都属于本发明的保护范围。
下面结合附图描述本实用新型的具体实施例。
如图1-3所示,一种硫磺环保成型机,包括水箱1,所述水箱1的内部设置有搅拌运料装置2,所述搅拌运料装置2包括搅拌杆21,所述搅拌杆21的表面固定连接有搅拌滚轮22,所述搅拌杆21的一侧与水箱1内壁的一侧转动连接,所述搅拌杆21的另一端贯穿水箱1内壁的一侧,所述搅拌杆21的一侧固定连接有第一锥形齿轮23,所述第一锥形齿轮23的表面啮合连接有第二锥形齿轮24,所述水箱1的一侧固定连接有第一固定块28,所述第一固定块28的一侧固定连接有电机箱26,所述电机箱26内壁的一侧固定连接有第一电机27,所述第一电机27的输出端固定连接有转杆25,所述转杆25的一侧贯穿与第二锥形齿轮24的底部轴心处,所述转杆25的一侧转动连接有第二固定块29,所述水箱1的顶部设置有切割装置3。
第一锥形齿轮23位于水箱1的外部,搅拌杆21的一侧贯穿水箱1内部的一侧且1与贯穿面转动连接。
所述切割装置3包括漏斗箱31和第二电机310,所述漏斗箱31的顶部设置有入料口33,两个所述漏斗箱31内壁的顶部固定连接有限位块32,所述限位块32的表面滑动连接有滑块35,所述滑块35的一侧固定连接有切刀片34,所述滑块35的一侧固定连接有固定杆37,所述固定杆37的表面套接有弹簧36,所述弹簧36的一端与漏斗箱31内壁的一侧固定连接。
第二电机310的底部与水箱1的顶部固定连接,入料口33贯穿漏斗箱31的顶部且延伸至其内部,且延伸的入料口33的两侧固定连接着限位块32,限位块32右侧的底部滑动连接滑块35,弹簧36的一侧与滑块35的右侧固定连接,漏斗箱31的底部贯穿水箱1的顶部且漏斗箱31的底部设置有出孔。
所述固定杆37的一侧贯穿于漏斗箱31内壁的一侧,所述固定杆37的一侧固定连接有挡板38,所述第二电机310的输出端固定连接有凸块39。
挡板38位于漏斗箱31的右侧外部。
所述水箱1的顶部设置有废气出管5,所述废气出管5的一侧设置有第一过滤箱7,所述第一过滤箱7内壁的两侧固定连接有第一过滤板6。
第一过滤板6竖直固定第一过滤箱7的内壁的左侧。
所述第一过滤箱7的内部设置有反应箱8,所述反应箱8的一侧设置有进气口9,所述反应箱8的顶部设置有开关阀管10,所述开关阀管10的一侧贯穿第一过滤箱7内壁的顶部,所述反应箱8的一侧固定连接有第二过滤箱11,所述第二过滤箱11内壁的两侧固定连接有过滤网12,所述第二过滤箱11的一侧设置有出气管13,所述出气管13的一侧贯穿于第一过滤箱7内壁的一侧。
第二过滤箱11设置再反应箱8内壁的右上角且底部设置有孔。
所述水箱1的一侧设置有进水口4,所述水箱1的一侧设置有出水口14。
进水口4与出水口14均设置有阀门。
工作原理:将硫磺通过切割装置3包括的入料口33进入漏斗箱31的内部,再通过在漏斗箱31内壁的顶部设置的限位块32,通过入料口33两侧固定连接的限位块32,通过限位块32表面滑动连接的滑块35,通过滑块35两侧分别固定连接的切刀片34和固定杆37,再通过第二电机310输出端固定连接的凸块39抵动固定杆37一侧固定连接的挡板38,从而使固定杆37移动,通过固定杆37使滑块35移动,通过滑块35一侧固定连接的切刀片34对硫磺进行切割,切割的硫磺通过漏斗箱31的底部设置的开口使其进入水箱1的内部。
通过启动水箱1一侧固定连接的电机箱26内壁的一侧固定连接的第一电机27,通过第一电机27的输出轴转动使其一侧固定连接的转杆25转动,通过转杆25转动使其表面固定固定连接的多个第二锥形齿轮24转动,通过第二锥形齿轮24转动使其表面啮合连接的第一锥形齿轮23转动,通过第一锥形齿轮23转动使其右侧固定连接的搅拌杆21转动,通过搅拌杆21贯穿水箱1的一侧且贯穿水箱1的表面转动连接,搅拌杆21的另一侧与水箱1内壁的右侧转动连接,通过搅拌杆21转动使其表面固定连接的搅拌滚轮22转动,搅拌滚轮22转动使水箱1内部的硫磺快速结晶,通过水箱1右侧设置的出水口14进行排除。
水冷的硫磺产生的气体通过水箱1顶部设置上的废气出管5进行收集,使废气通过废气出管5进入到第一过滤箱7内部设置的第一过滤板6进行过滤,过滤的气体通过第一过滤箱7内部设置的反应箱8内部进行无害反应,可通过其顶部设置的开关阀管10进行加反应剂,通过反应的气体进入反应箱8的右上方设置的第二过滤箱11,通过第二过滤箱11内部设置的过滤网12再进行过滤,通过出气管13进行排出。
在本实用新型中,除非另有明确的规定和限定,第一特征在第二特征之 “上”或之“下”可以包括第一和第二特征直接接触,也可以包括第一和第二特征不是直接接触而是通过它们之间的另外的特征接触。而且,第一特征在第二特征“之上”、“上方”和“上面”包括第一特征在第二特征正上方和斜上方,或仅仅表示第一特征水平高度高于第二特征。第一特征在第二特征“之下”、“下方”和“下面”包括第一特征在第二特征正下方和斜下方,或仅仅表示第一特征水平高度小于第二特征。
以上显示和描述了本实用新型的基本原理、主要特征和本实用新型的优点。本行业的技术人员应该了解,本实用新型不受上述实施例的限制,上述实施例和说明书中描述的仅为本实用新型的优选例,并不用来限制本实用新型,在不脱离本实用新型精神和范围的前提下,本实用新型还会有各种变化和改进,这些变化和改进都落入要求保护的本实用新型范围内。本实用新型要求保护范围由所附的权利要求书及其等效物界定。
技术领域
本实用新型涉及化工设备领域,尤其涉及一种硫磺环保成型机。
背景技术
在石化炼油工业排出的废气中含有大量硫化物烟气,这不仅会污染空气,而且也是一种资源损失,为此,各单位均配套设置具有回收硫化物的脱硫装置,脱出的液态硫磺变废为宝,既解决了外排废气的环保达标问题,又便于硫化物的回收再利用。
对产生的硫磺进行回收,目前通用的硫磺切片机是利用滚筒和刮刀组成,硫磺的成型和出料是在敞口下进行,硫磺的气味没有得到有效控制,且水下集体水冷效果缓慢,达不到环保和高效要求,因此厂区工作环境差。
实用新型内容
本实用新型的目的在于提供一种硫磺环保成型机,以解决上述技术问题。
本实用新型为解决上述技术问题,采用以下技术方案来实现:一种硫磺环保成型机,包括水箱,所述水箱的内部设置有搅拌运料装置,所述搅拌运料装置包括搅拌杆,所述搅拌杆的表面固定连接有搅拌滚轮,所述搅拌杆的一侧与水箱内壁的一侧转动连接,所述搅拌杆的另一端贯穿水箱内壁的一侧,所述搅拌杆的一侧固定连接有第一锥形齿轮,所述第一锥形齿轮的表面啮合连接有第二锥形齿轮,所述水箱的一侧固定连接有第一固定块,所述第一固定块的一侧固定连接有电机箱,所述电机箱内壁的一侧固定连接有第一电机,所述第一电机的输出端固定连接有转杆,所述转杆的一侧贯穿与第二锥形齿轮的底部轴心处,所述转杆的一侧转动连接有第二固定块,所述水箱的顶部设置有切割装置。
进一步地,所述切割装置包括漏斗箱和第二电机,所述漏斗箱的顶部设置有入料口,两个所述漏斗箱内壁的顶部固定连接有限位块,所述限位块的表面滑动连接有滑块,所述滑块的一侧固定连接有切刀片,所述滑块的一侧固定连接有固定杆,所述固定杆的表面套接有弹簧,所述弹簧的一端与漏斗箱内壁的一侧固定连接。
进一步地,所述固定杆的一侧贯穿于漏斗箱内壁的一侧,所述固定杆的一侧固定连接有挡板,所述第二电机的输出端固定连接有凸块。
进一步地,所述水箱的顶部设置有废气出管,所述废气出管的一侧设置有第一过滤箱,所述第一过滤箱内壁的两侧固定连接有第一过滤板。
进一步地,所述第一过滤箱的内部设置有反应箱,所述反应箱的一侧设置有进气口,所述反应箱的顶部设置有开关阀管,所述开关阀管的一侧贯穿第一过滤箱内壁的顶部,所述反应箱的一侧固定连接有第二过滤箱,所述第二过滤箱内壁的两侧固定连接有过滤网,所述第二过滤箱的一侧设置有出气管,所述出气管的一侧贯穿于第一过滤箱内壁的一侧。
进一步地,所述水箱的一侧设置有进水口,所述水箱的一侧设置有出水口。
本实用新型的有益效果是:
本实用新型通过设置的搅拌运料装置有效的对切割的硫磺进行快速冷却结晶,通过设置在水箱顶部设置的第一过滤箱和第二过滤箱,方便对冷却的硫磺产生的气体进行过滤反应,从而使气体有效的过滤成无害气体从而改善工作环境减少对人体的伤害和威胁。
附图说明
图1为本实用新型的整体剖视结构示意图;
图2为本实用新型的搅拌运料装置内部结构示意图;
图3为本实用新型的切割装置内部结构示意图。
附图标记:1-水箱、2-搅拌运料装置、21-搅拌杆、22-搅拌滚轮、23-第一锥形齿轮、24-第二锥形齿轮、25-转杆、26-电机箱、27-第一电机、28-第一固定块、29-第二固定块、3-切割装置、31-漏斗箱、32-限位块、33-入料口、34-切刀片、35-滑块、36-弹簧、37-固定杆、38-挡板、39-凸块、310-第二电机、4-进水口、5-废气出管、6-第一过滤板、7-第一过滤箱、8-反应箱、9-进气口、10-开关阀管、11-第二过滤箱、12-过滤网、13-出气管、14-出水口。
具体实施方式
为了使本实用新型实现的技术手段、创作特征、达成目的与功效易于明白了解,下面结合具体实施例和附图,进一步阐述本实用新型,但下述实施例仅仅为本实用新型的优选实施例,并非全部。基于实施方式中的实施例,本领域技术人员在没有做出创造性劳动的前提下所获得其它实施例,都属于本发明的保护范围。
下面结合附图描述本实用新型的具体实施例。
如图1-3所示,一种硫磺环保成型机,包括水箱1,所述水箱1的内部设置有搅拌运料装置2,所述搅拌运料装置2包括搅拌杆21,所述搅拌杆21的表面固定连接有搅拌滚轮22,所述搅拌杆21的一侧与水箱1内壁的一侧转动连接,所述搅拌杆21的另一端贯穿水箱1内壁的一侧,所述搅拌杆21的一侧固定连接有第一锥形齿轮23,所述第一锥形齿轮23的表面啮合连接有第二锥形齿轮24,所述水箱1的一侧固定连接有第一固定块28,所述第一固定块28的一侧固定连接有电机箱26,所述电机箱26内壁的一侧固定连接有第一电机27,所述第一电机27的输出端固定连接有转杆25,所述转杆25的一侧贯穿与第二锥形齿轮24的底部轴心处,所述转杆25的一侧转动连接有第二固定块29,所述水箱1的顶部设置有切割装置3。
第一锥形齿轮23位于水箱1的外部,搅拌杆21的一侧贯穿水箱1内部的一侧且1与贯穿面转动连接。
所述切割装置3包括漏斗箱31和第二电机310,所述漏斗箱31的顶部设置有入料口33,两个所述漏斗箱31内壁的顶部固定连接有限位块32,所述限位块32的表面滑动连接有滑块35,所述滑块35的一侧固定连接有切刀片34,所述滑块35的一侧固定连接有固定杆37,所述固定杆37的表面套接有弹簧36,所述弹簧36的一端与漏斗箱31内壁的一侧固定连接。
第二电机310的底部与水箱1的顶部固定连接,入料口33贯穿漏斗箱31的顶部且延伸至其内部,且延伸的入料口33的两侧固定连接着限位块32,限位块32右侧的底部滑动连接滑块35,弹簧36的一侧与滑块35的右侧固定连接,漏斗箱31的底部贯穿水箱1的顶部且漏斗箱31的底部设置有出孔。
所述固定杆37的一侧贯穿于漏斗箱31内壁的一侧,所述固定杆37的一侧固定连接有挡板38,所述第二电机310的输出端固定连接有凸块39。
挡板38位于漏斗箱31的右侧外部。
所述水箱1的顶部设置有废气出管5,所述废气出管5的一侧设置有第一过滤箱7,所述第一过滤箱7内壁的两侧固定连接有第一过滤板6。
第一过滤板6竖直固定第一过滤箱7的内壁的左侧。
所述第一过滤箱7的内部设置有反应箱8,所述反应箱8的一侧设置有进气口9,所述反应箱8的顶部设置有开关阀管10,所述开关阀管10的一侧贯穿第一过滤箱7内壁的顶部,所述反应箱8的一侧固定连接有第二过滤箱11,所述第二过滤箱11内壁的两侧固定连接有过滤网12,所述第二过滤箱11的一侧设置有出气管13,所述出气管13的一侧贯穿于第一过滤箱7内壁的一侧。
第二过滤箱11设置再反应箱8内壁的右上角且底部设置有孔。
所述水箱1的一侧设置有进水口4,所述水箱1的一侧设置有出水口14。
进水口4与出水口14均设置有阀门。
工作原理:将硫磺通过切割装置3包括的入料口33进入漏斗箱31的内部,再通过在漏斗箱31内壁的顶部设置的限位块32,通过入料口33两侧固定连接的限位块32,通过限位块32表面滑动连接的滑块35,通过滑块35两侧分别固定连接的切刀片34和固定杆37,再通过第二电机310输出端固定连接的凸块39抵动固定杆37一侧固定连接的挡板38,从而使固定杆37移动,通过固定杆37使滑块35移动,通过滑块35一侧固定连接的切刀片34对硫磺进行切割,切割的硫磺通过漏斗箱31的底部设置的开口使其进入水箱1的内部。
通过启动水箱1一侧固定连接的电机箱26内壁的一侧固定连接的第一电机27,通过第一电机27的输出轴转动使其一侧固定连接的转杆25转动,通过转杆25转动使其表面固定固定连接的多个第二锥形齿轮24转动,通过第二锥形齿轮24转动使其表面啮合连接的第一锥形齿轮23转动,通过第一锥形齿轮23转动使其右侧固定连接的搅拌杆21转动,通过搅拌杆21贯穿水箱1的一侧且贯穿水箱1的表面转动连接,搅拌杆21的另一侧与水箱1内壁的右侧转动连接,通过搅拌杆21转动使其表面固定连接的搅拌滚轮22转动,搅拌滚轮22转动使水箱1内部的硫磺快速结晶,通过水箱1右侧设置的出水口14进行排除。
水冷的硫磺产生的气体通过水箱1顶部设置上的废气出管5进行收集,使废气通过废气出管5进入到第一过滤箱7内部设置的第一过滤板6进行过滤,过滤的气体通过第一过滤箱7内部设置的反应箱8内部进行无害反应,可通过其顶部设置的开关阀管10进行加反应剂,通过反应的气体进入反应箱8的右上方设置的第二过滤箱11,通过第二过滤箱11内部设置的过滤网12再进行过滤,通过出气管13进行排出。
在本实用新型中,除非另有明确的规定和限定,第一特征在第二特征之 “上”或之“下”可以包括第一和第二特征直接接触,也可以包括第一和第二特征不是直接接触而是通过它们之间的另外的特征接触。而且,第一特征在第二特征“之上”、“上方”和“上面”包括第一特征在第二特征正上方和斜上方,或仅仅表示第一特征水平高度高于第二特征。第一特征在第二特征“之下”、“下方”和“下面”包括第一特征在第二特征正下方和斜下方,或仅仅表示第一特征水平高度小于第二特征。
以上显示和描述了本实用新型的基本原理、主要特征和本实用新型的优点。本行业的技术人员应该了解,本实用新型不受上述实施例的限制,上述实施例和说明书中描述的仅为本实用新型的优选例,并不用来限制本实用新型,在不脱离本实用新型精神和范围的前提下,本实用新型还会有各种变化和改进,这些变化和改进都落入要求保护的本实用新型范围内。本实用新型要求保护范围由所附的权利要求书及其等效物界定。

图 1

图 2

图 3



